
Yanmar 4TNV88-BPTB Engine Parts (Takeuchi TB250)
Yanmar 4TNV88-BPTB Engine Parts Fits Takeuchi TB250 Excavators. Genuine and Non Genuine Parts Available.
Yanmar 4TNV88-BPTB Engine Parts Fits Takeuchi TB250 Excavators. Genuine and Non Genuine Parts Available.
Shop by diagram

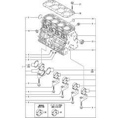
Cylinder Block Assembly

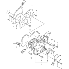
Gear Housing Assembly for Yanmar

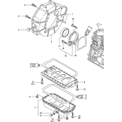
Flywheel Housing & Oil Sump

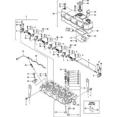
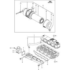
Cylinder Head & Bonnet Assembly

Suction Manifold & Air Cleaner

Exhaust Manifold & Silencer

Camshaft & Gear for Yanmar

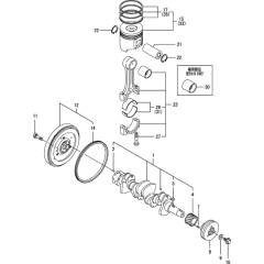
Crankshaft & Piston Assembly

Oil System Assembly for Yanmar

Cooling Water System Assembly

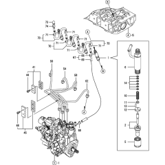
Fuel Injection Pump Assembly

Governor Assembly for Yanmar

Fuel Injection Valve Assembly

Fuel Line Assembly for Yanmar

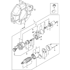
Starting Motor Assembly

Generator Assembly for Yanmar

Gasket Set for Yanmar 4TNV88-BPTB
All products
-
Lock Nut M6 - Genuine Yanmar Part - 26756 060002£2.27 £1.89
-
Solenoid Stop for Yanmar 3TNV88-XTBZ Engine - 119233-77932£203.04 £169.20