
Yanmar 4TNV84-KWA Engine Parts (Thwaites)
Yanmar 4TNV84-KWA Engine Parts. Suitable for Specific Thwaites Diggers. Genuine and Non Genuine Parts Available
Yanmar 4TNV84-KWA Engine Parts. Suitable for Specific Thwaites Diggers. Genuine and Non Genuine Parts Available
Shop by diagram

Cylinder Block Assembly

Gear Housing Assembly

Flywheel & Oil Sump Assembly

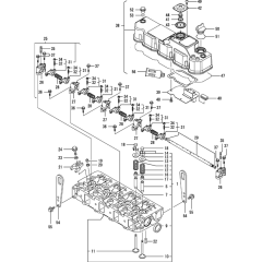
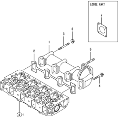
Cylinder Head Assembly Yanmar

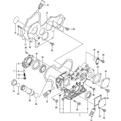
Suction Manifold Assembly

Exhaust Manifold for Yanmar 4TNV84-KWA

Camshaft & Gear Assembly

Crankshaft & Piston Assembly

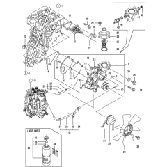
Oil System Assembly for Yanmar

Cooling Water System Assembly

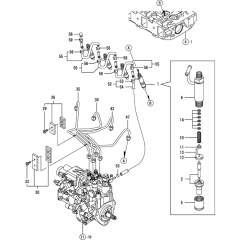
Fuel Injection Pump Assembly

Fuel Injection Valve Assembly

Fuel Line Assembly for Yanmar

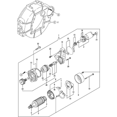
Starting Motor Assembly

Generator Assembly for Yanmar

Gasket Set for Yanmar 4TNV84-KWA
All products
-
Circlip for Yanmar 3TNE88 Engine - 22252-000260£2.10 £1.75
-
O-Ring for Yanmar 3TNA72L Engine - 24311-000120£2.81 £2.34