
Yanmar 4TNV88-QTB Engine Parts (Takeuchi TB145)
Yanmar 4TNV88-QTB Engine Parts Fits Takeuchi TB145 Excavators. Genuine and Non Genuine Parts Available.
Yanmar 4TNV88-QTB Engine Parts Fits Takeuchi TB145 Excavators. Genuine and Non Genuine Parts Available.
Shop by diagram

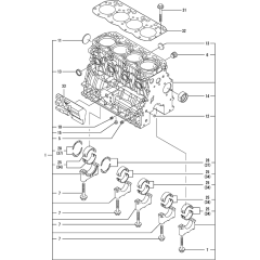
Cylinder Block Assembly

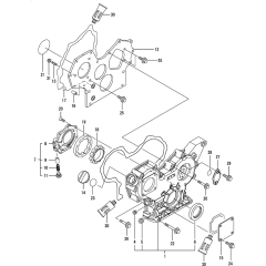
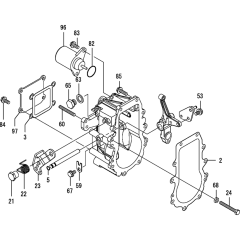
Gear Housing for Yanmar 4TNV88-QTB

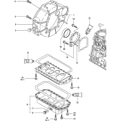
Flywheel & Oil Sump Assembly

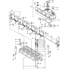
Cylinder Head & Bonnet Assembly

Suction Manifold & Air Cleaner

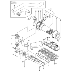
Exhaust Manifold & Silencer

Camshaft & Gear Assembly

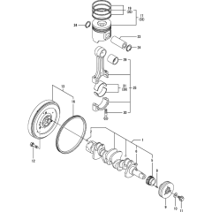
Crankshaft & Piston Assembly

Oil System for Yanmar 4TNV88-QTB

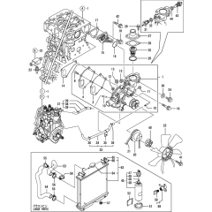
Cooling Water System Assembly

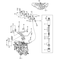
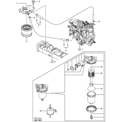
Fuel Injection Pump Assembly

Fuel Injection Valve Assembly

Fuel Line Assembly for Yanmar

Starting Motor Assembly

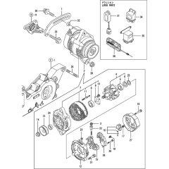
Generator Assembly for Yanmar

Tool and Gasket Set for Yanmar

Fuel Injection Pump Assembly

Governor Assembly for Yanmar
All products
-
Lock Nut M6 - Genuine Yanmar Part - 26756 060002£2.27 £1.89
-
Solenoid Stop for Yanmar 3TNV88-XTBZ Engine - 119233-77932£203.04 £169.20