Description
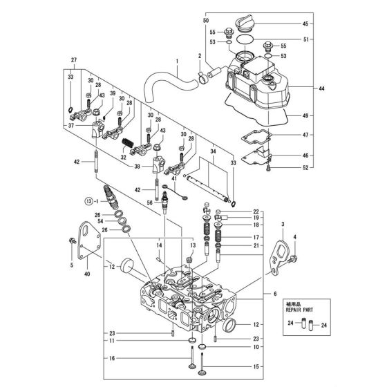
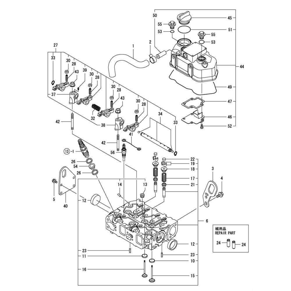
The Cylinder Head and Bonnet Assembly for the Yanmar 2TNV66-DMC Engine includes key components essential for optimal engine performance. This assembly ensures efficient combustion and protection of the engine's internal parts. Available components may include gaskets, seals, and valves, designed to fit precisely and maintain engine integrity.
Reviews
Add a review
Write Your Own Review
Ask a Question
Customer Questions

