Description
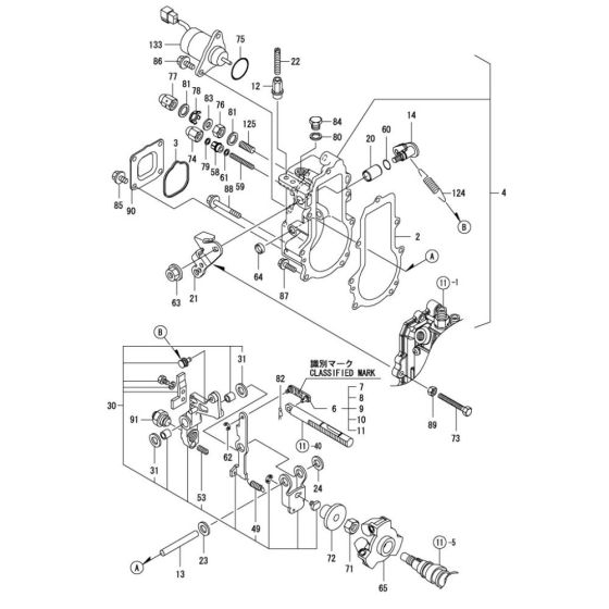
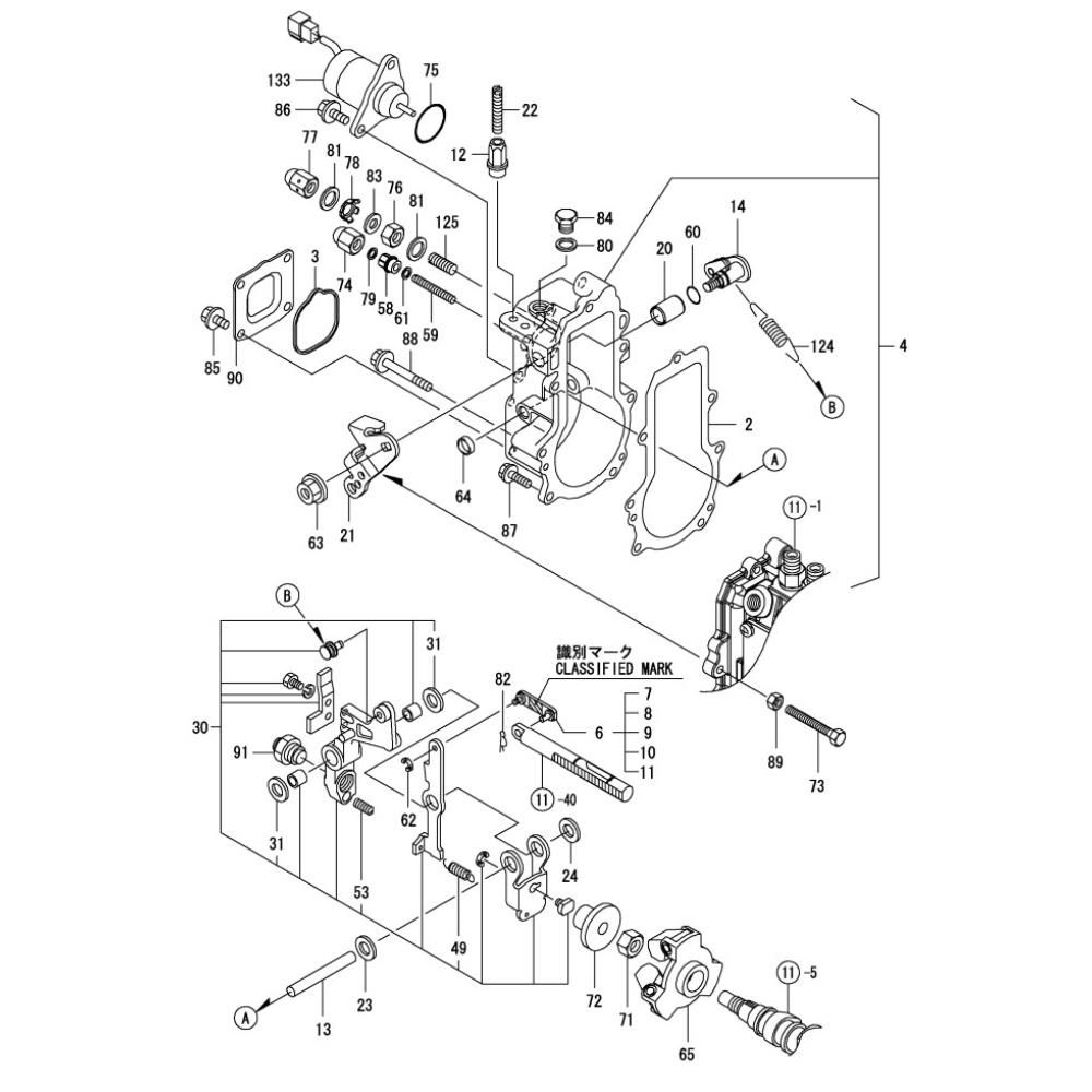
The Governor Assembly for the Yanmar 2TNV66-DMC Engine is crucial for regulating engine speed and ensuring optimal performance. This assembly includes components such as springs, levers, and weights, which work together to maintain consistent engine operation. Genuine Yanmar parts ensure compatibility and reliability, supporting efficient engine function.
Reviews
Add a review
Write Your Own Review
Ask a Question
Customer Questions

