Description
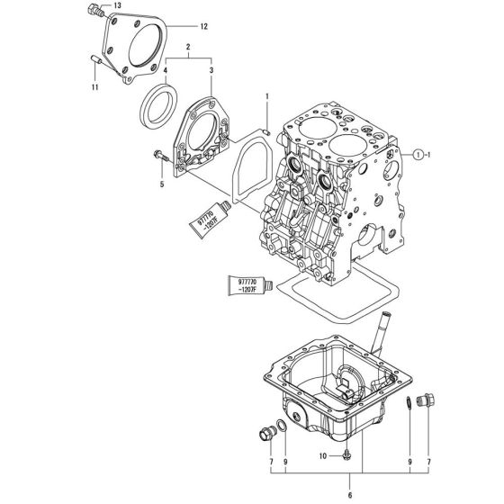
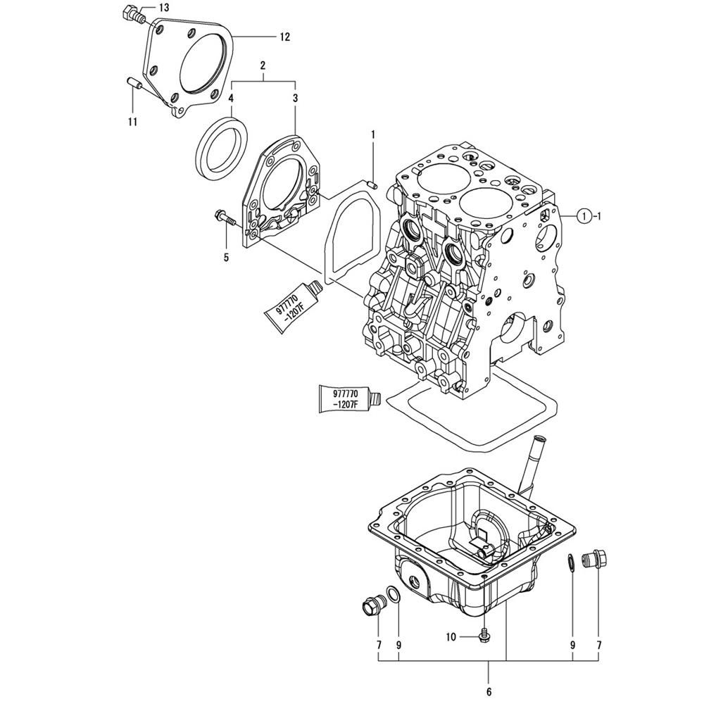
The Oil Sump Assembly for the Yanmar 2TNV66-DMC Engine is crucial for maintaining engine lubrication and performance. It collects and stores oil, ensuring efficient distribution throughout the engine. This assembly includes components such as the sump pan, gaskets, and bolts, designed to fit precisely and function reliably. Regular inspection and replacement of these parts can help prevent leaks and ensure optimal engine operation.
Reviews
Add a review
Write Your Own Review
Ask a Question
Customer Questions

