Description
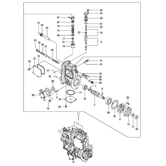
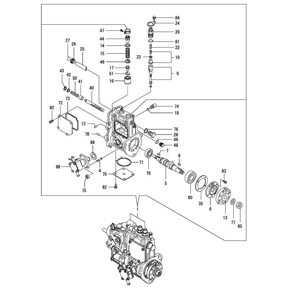
The Fuel Injection Pump Assembly for the Yanmar 2TNV66-DMC Engine is crucial for delivering the right amount of fuel to the engine cylinders, ensuring efficient combustion and optimal performance. This assembly includes components such as pumps, nozzles, and seals, designed to maintain engine reliability and longevity. Genuine Yanmar parts ensure compatibility and durability.
Reviews
Add a review
Write Your Own Review
Ask a Question
Customer Questions

