Description
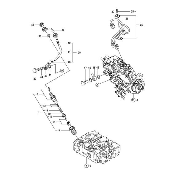
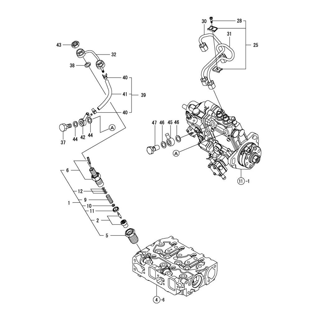
The Fuel Injection Valve Assembly for the Yanmar 2TNV66-DMC Engine ensures optimal fuel delivery and engine performance. This assembly includes key components such as valves, springs, and seals, designed to maintain efficient combustion and reduce emissions. Genuine Yanmar parts provide reliability and longevity, essential for the smooth operation of your engine.
Reviews
Add a review
Write Your Own Review
Ask a Question
Customer Questions

