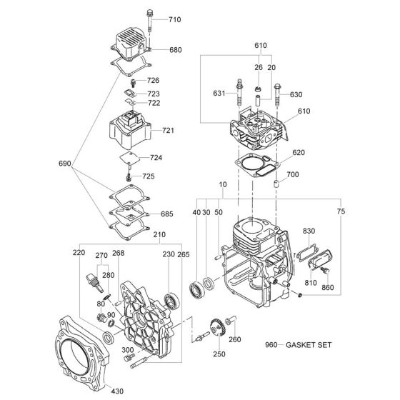
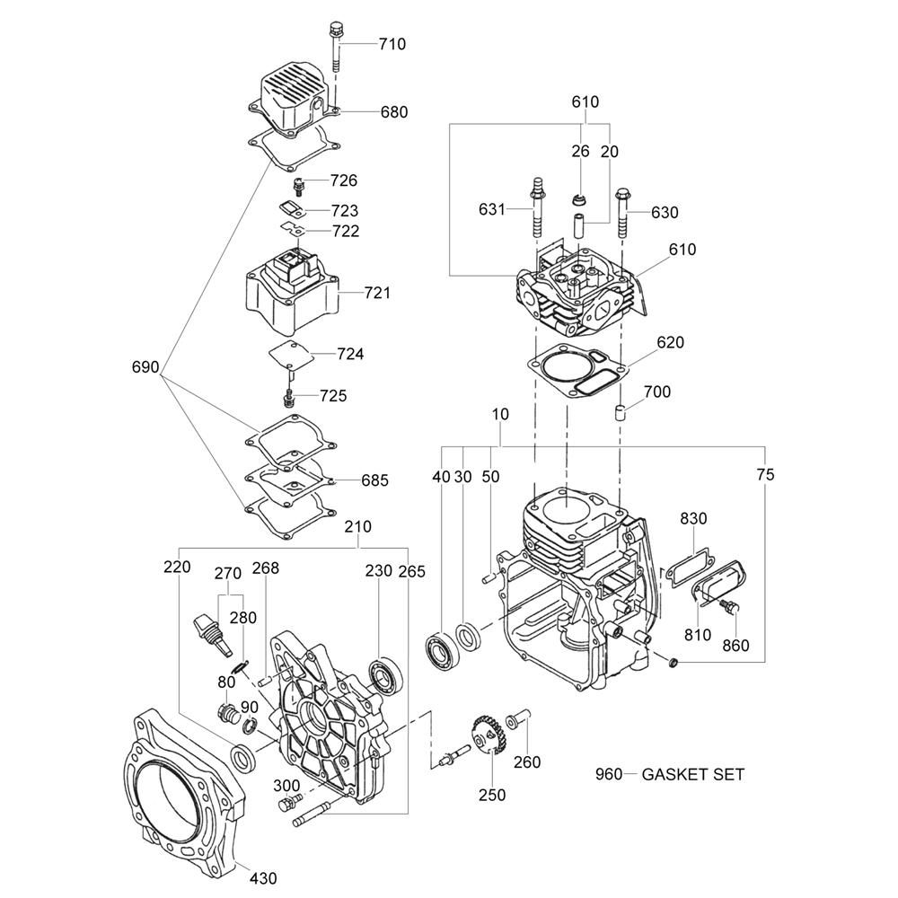
Description
The Crankcase Assembly for the Wacker WM 90 Engine is designed to house and protect the engine's moving parts, ensuring optimal performance and longevity. This assembly includes components such as gaskets, seals, and bearings, which are crucial for maintaining engine integrity and preventing leaks. Genuine Wacker Neuson parts ensure compatibility and reliability for your equipment.
Reviews
Add a review
Write Your Own Review
Ask a Question
Customer Questions

