excellent reviews view over 8000 reviews
next day delivery over 500,000 items in stock
no hassle returns buy with confidence
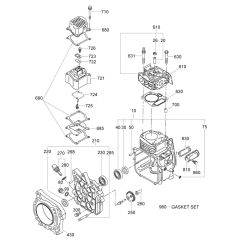
Wacker WM 90 Engine Parts

Wacker WM 90 Engine Parts

All products

We can't find products matching the selection.

Recently viewed products