Description
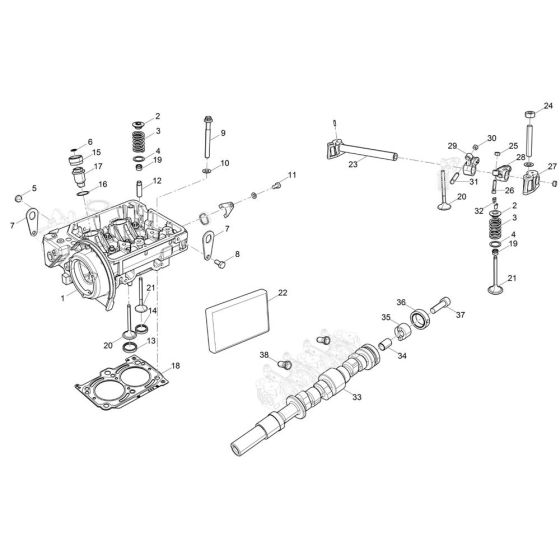
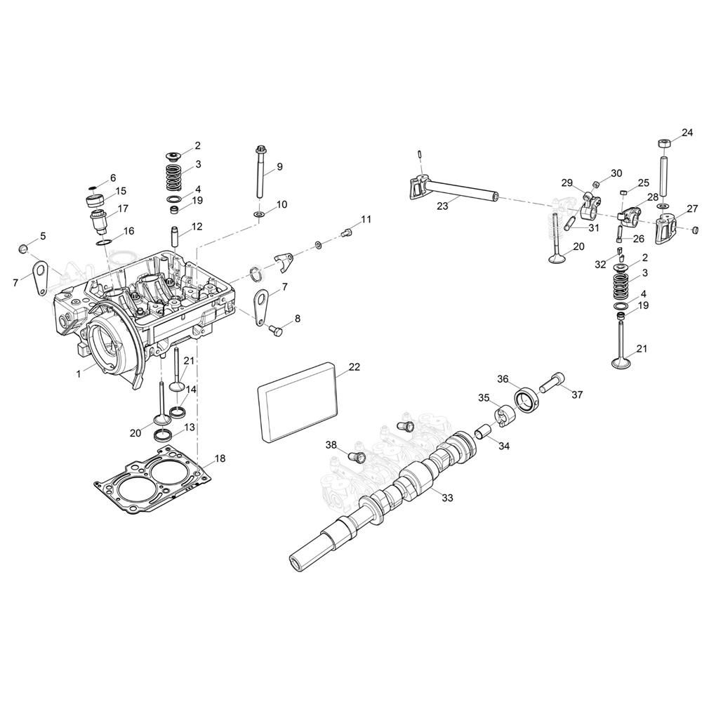
The Cylinder Head Assembly for the Wacker Neuson LTV4L Lighting Tower is crucial for optimal engine performance. It ensures efficient combustion and heat dissipation, contributing to the tower's reliable operation. This assembly includes components such as valves, springs, and gaskets, all designed to fit seamlessly with the Wacker Neuson LTV4L model.
Reviews
Add a review
Write Your Own Review
Ask a Question
Customer Questions

