
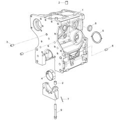
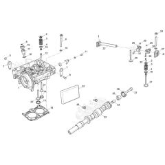
Wacker LTV4L Tower Light Parts
Genuine and non-genuine Wacker Neuson LTV4L Tower Light spare parts including LEDs, bulbs, cables and connectors.
Genuine and non-genuine Wacker Neuson LTV4L Tower Light spare parts including LEDs, bulbs, cables and connectors.