
Wacker LTN5Y Tower Light Parts
Shop by diagram
Lighting Assembly for LTN5Y
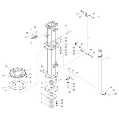
Pole Mounting Assembly
Control Panel Assembly - Wacker LTN5Y
Control Panel for Wacker LTN5Y
Bonnet Assembly for LTN5Y
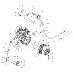
Engine Assembly for Wacker LTN5Y
Engine Assembly for Wacker LTN5Y
Crane Lifting Eye Assembly
Crane Lifting Eye Assembly
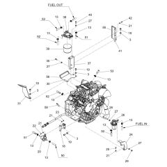
Fuel Tank Assembly for LTN5Y
Frame Assembly for LTN5Y