Description
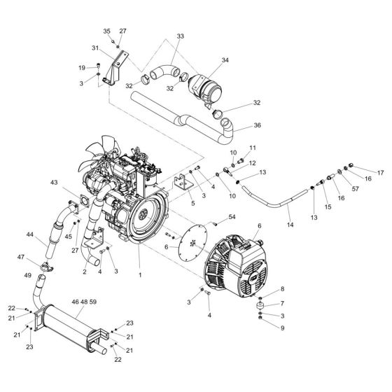
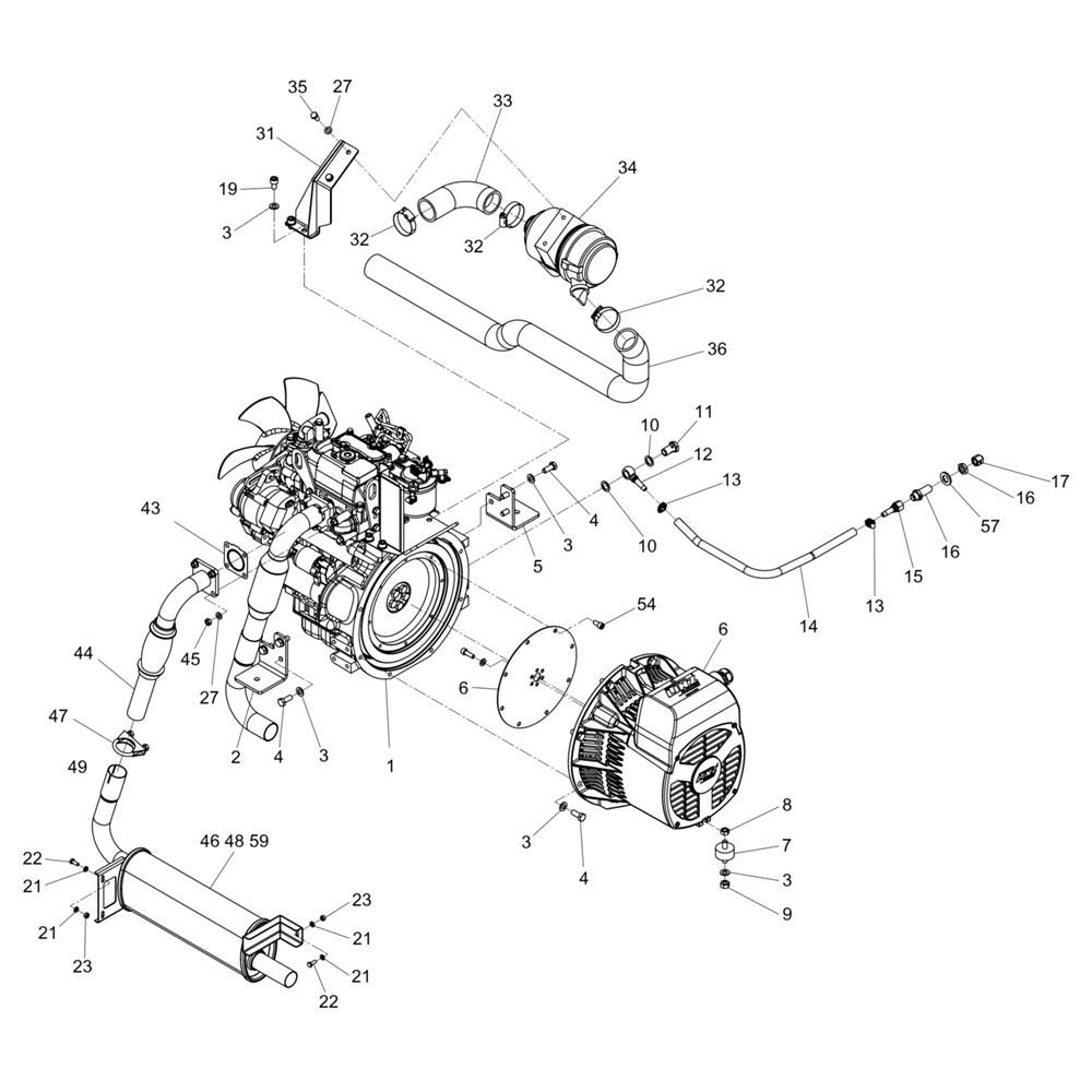
The Engine Assembly for the Wacker LTN5Y Lighting Tower includes key components essential for optimal performance and longevity. Designed to ensure efficient operation, it comprises parts such as gaskets, pistons, and valves. This assembly is crucial for maintaining the lighting tower's reliability and effectiveness in various environments.
Reviews
Add a review
Write Your Own Review
Ask a Question
Customer Questions

