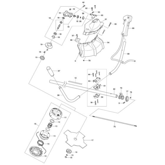
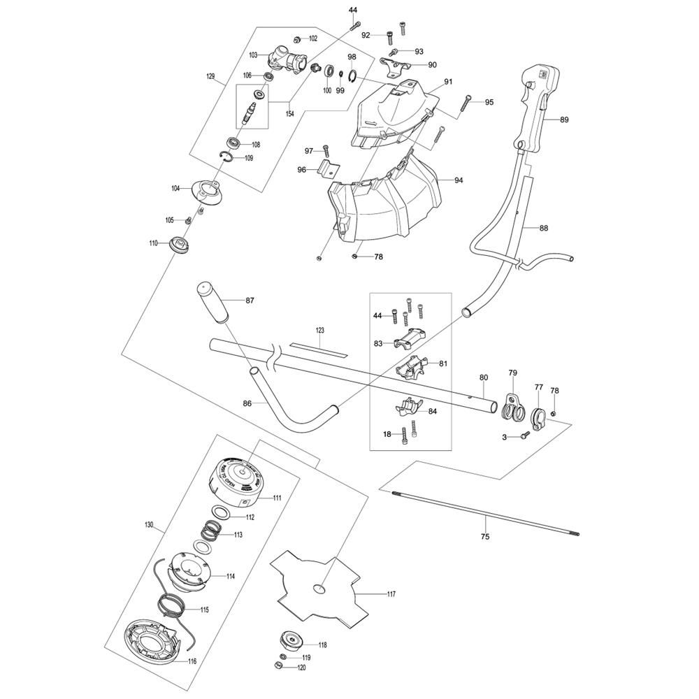
Description
The Handle, Pipe, Shield Assembly for the Makita EM2600U Brushcutter includes essential components for optimal operation and safety. This assembly ensures proper handling and protection during use, featuring genuine Makita parts. Designed for durability and performance, it helps maintain the brushcutter's efficiency and user comfort.
Reviews
Add a review
Write Your Own Review
Ask a Question
Customer Questions

