
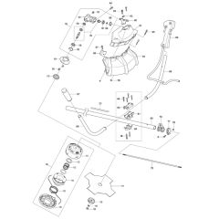
Makita EM2600U Brushcutter Parts
Quality Spare Parts for Makita EM2600U Brushcutters.
Quality Spare Parts for Makita EM2600U Brushcutters.
Shop by diagram
All products
-
Makita Spring EM2600l - DA00000165£1.73 £1.44 -
Makita Nut M5 EM2600l - DA00000130£0.79 £0.66 -
Makita Screw Assembly M5x40 EM2600l - DA00000146£0.79 £0.66 -
Makita Tapping Screw S5x25 EM2600l - DA00000149£0.79 £0.66 -
Makita Oil Bolt M6x8 EM2600l - DA00000154£0.79 £0.66 -
Makita Gasket Carburettor EM2600l - DA00000416£0.94 £0.78 -
Makita Gasket Carburettor EM2600l - DA00000418£0.94 £0.78 -
Makita Gasket Carburettor EM2600l - DA00000414£1.25 £1.04 -
Tube L for Makita MS27C Brushcutter - DA00000117£2.56 £2.13 -
Tube S for Makita MS27C Brushcutter - DA00000116£2.99 £2.49 -
Makita Muffler Cover EM2600l - DA00000435£5.86 £4.88 -
Makita Protector EM2600l - DA00000147£7.25 £6.04 -
Makita Fuel Tank Cap Comp EM2600l - DA00000122£15.48 £12.90 -
Makita Spring Washer EM2600l - DA00000198£0.48 £0.40 -
Makita Clip EM2600l - DA00000071£0.62 £0.52 -
Makita Chock Lever EM2600l - DA00000419£0.62 £0.52 -
Makita Chock Plate EM2600l - DA00000421£0.62 £0.52