
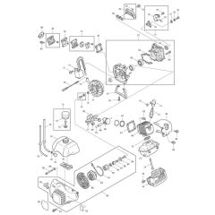
Makita MS4211 Brushcutter Parts
Quality Spare Parts for Makita MS4211 Brushcutter.
Quality Spare Parts for Makita MS4211 Brushcutter.
Shop by diagram
All products
-
Fuel Tank Cap - Genuine Makita No. 452920-8£7.24 £6.03 -
Makita Piston Ring RBC410/420e - 257309-3£4.68 £3.90 -
Tube for Makita RBC350 Brushcutters - 168765-1£5.12 £4.27 -
Clamp Washer for Makita EBH341U Brushcutter - 346355-2£18.52 £15.43 -
Handle Bolt fits Makita EM4340l Brushcutter - 6344001040£19.96 £16.63 -
Makita Cylinder RBC410/RBC420e - 318630-6£81.00 £67.50 -
Clutch for Makita RBC420, RBC420E Brushcutters - 140897-6£115.75 £96.46 -
Receive Washer - Genuine Makita No. 310458-8£8.20 £6.83 -
Makita Nut M5 DBC260l/U/RBC3101 - 264035-7£0.48 £0.40 -
Makita Washer M5 RBC230/310/Pb250 - 267446-5£0.48 £0.40 -
Makita Bolt Assembly M5x14 RBC421l - 266595-5£0.62 £0.52 -
Makita Spacer RBC260/420/Pb250 - 346438-8£0.62 £0.52 -
Makita Socket Head Bolt M6x60 RBC350 - 266589-0£0.79 £0.66