
Makita RBC251 Brushcutter Parts
Genuine and aftermarket spare parts and accessories for Makita RBC251 Brushcutters
Huge selection of parts in stock available for next day delivery.
Genuine and aftermarket spare parts and accessories for Makita RBC251 Brushcutters
Huge selection of parts in stock available for next day delivery.
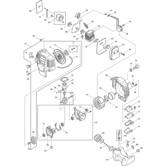
Shop by diagram
All products
-
Fuel Tank Cap - Genuine Makita No. 452920-8£7.24 £6.03 -
Makita Damper RBC230/320e/MS3200e/Mh - 424446-0£1.42 £1.18 -
Makita Tapping Screw M5x10 Bh341u - 266580-8£0.94 £0.78 -
Makita Gasket Spacer MS221/MH2556 - 424450-9£2.14 £1.78 -
Makita Starter Knob EBH341u - 424317-1£3.12 £2.60 -
Makita Socket Head Bolt M5x25 DBC260 - 266805-0£0.94 £0.78 -
Makita Inner Snap Ring EM400/DUR361 - 257987-9£1.25 £1.04 -
Makita Insulator Gasket RBC221/MH255 - 424448-6£1.56 £1.30 -
Makita Tapping Srew M3x24 ER2550/Ebh - 266582-4£1.70 £1.42 -
Makita Srop Ring E-3 ER2650lh/BHX250 - 257964-1£2.56 £2.13 -
Makita Oil Bolt M6x9 RBC260l/U/RBC2 - 265578-2£2.70 £2.25 -
Makita Ball Bearing 609zz EBH253l/Bb - 210049-4£3.52 £2.93 -
Makita Primer Pump Cover ER265/EM2511 - 346270-0£4.04 £3.37 -
Makita Swivel ER2650lh/341u/BHX2501 - 325922-6£4.56 £3.80 -
Makita Pipe Bracket Upper RBC225/MH2 - 318767-9£5.20 £4.33