
Honda GXV670 (GJAH) Engine Parts
Spares for Honda GXV670 (GJAH) Engines.

Spares for Honda GXV670 (GJAH) Engines.

Shop by diagram

Fan Cover for Honda GXV670

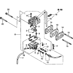
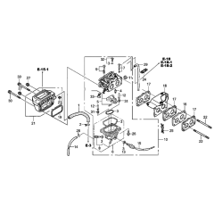
Carburetor Assembly for GXV670

Carburetor Assembly for GXV670

Air Filter for Honda GXV670

Fuel Pump Assembly for GXV670

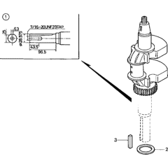
Flywheel Assembly for GXV670

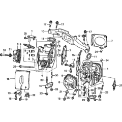
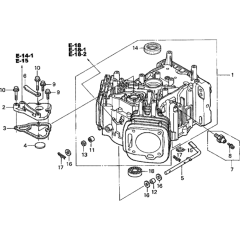
Cylinder Head Assembly

Ignition Coil for Honda GXV670

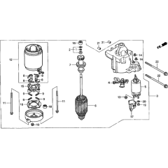
Starter Motor for Honda GXV670

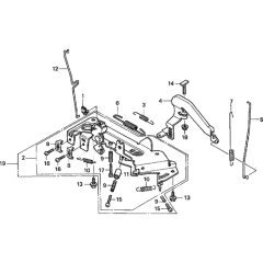
Control Assembly for GXV670

Oil Cooler Assembly for Honda

Honda GXV670 Engine Label

Tools for Honda GXV670 Engines

Cylinder Barrel Assembly

Oil Pan Assembly for Honda GXV670

Crankshaft Assembly for GXV670

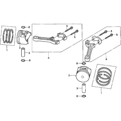
Piston & Rod for Honda GXV670

Camshaft Assembly for GXV670
All products
-
Recoil Flange Bolt M6x8mm for Honda GX Engines£1.49 £1.24
-
6mm Plain Washer Fits Honda GHX50 - 94101-06800£1.08 £0.90
-
Exhaust Valve Fits Honda GX340 GX390 - 14721-ZE3-000£43.64 £36.37
-
Clip - Genuine Honda Part - 95002-50000£1.07 £0.89
-
Clip - Genuine Honda No. 95002 70000£1.16 £0.97
-
Inlet Valve Fits Honda GX340 GX390 - 14711-ZE3-000£26.94 £22.45
-
Rocker - Genuine Honda Part - 14431-ZE2-010£10.02 £8.35