
Honda GXV670U (GJAHK) Engine Parts
Spares for Honda GXV670U (GJAHK) Engines.

Spares for Honda GXV670U (GJAHK) Engines.

Shop by diagram

Fan Cover Assembly for GXV670U

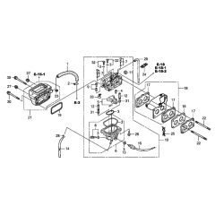
Carburetor Assembly Honda GXV670U

Air Filter Assembly for GXV670U

Fuel Pump Assembly for Honda

Flywheel Assembly for Honda GXV670U

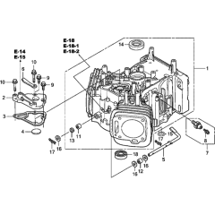
Cylinder Head Assembly

Ignition Coil for Honda GXV670U

Starter Motor for Honda GXV670U

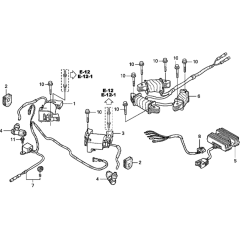
Control Assembly for Honda GXV670U

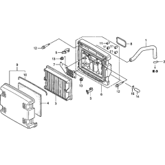
Oil Cooler Assembly for Honda

Tools for Honda GXV670U Engines

Cylinder Barrel Assembly

Parts for Honda GXV670U

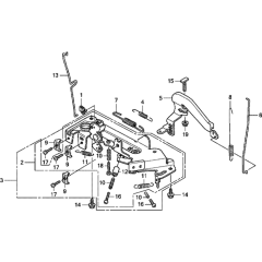
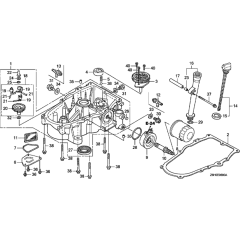
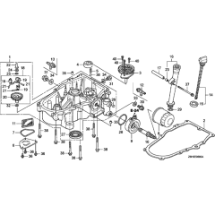
Oil Pan Assembly for Honda GXV670U

Crankshaft Assembly for GXV670U

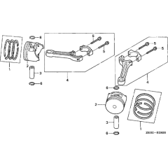
Piston & Rod Assembly for GXV670U

Camshaft Assembly for GXV670U
All products
-
Recoil Flange Bolt M6x8mm for Honda GX Engines£1.49 £1.24
-
6mm Plain Washer Fits Honda GHX50 - 94101-06800£1.08 £0.90
-
Exhaust Valve Fits Honda GX340 GX390 - 14721-ZE3-000£43.64 £36.37
-
Clip - Genuine Honda Part - 95002-50000£1.07 £0.89
-
Clip - Genuine Honda No. 95002 70000£1.16 £0.97
-
Inlet Valve Fits Honda GX340 GX390 - 14711-ZE3-000£26.94 £22.45
-
Rocker - Genuine Honda Part - 14431-ZE2-010£10.02 £8.35