
Honda Izy Parts - HRG536 SD Mower Spares
Genuine and aftermarket spare parts for Honda IZY HRG536 SD (4 Wheeled, Self Propelled) Lawnmowers.
Genuine and aftermarket spare parts for Honda IZY HRG536 SD (4 Wheeled, Self Propelled) Lawnmowers.
Shop by diagram

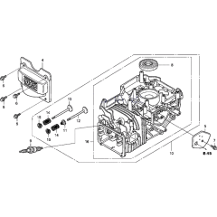
Cylinder Barrel Assembly

Flywheel & Ignition Assembly

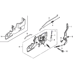
Speed Control Assembly for Honda

Handle & Cables for Honda HRG536-SD

Transmission Assembly for Honda

Rear Wheel Assembly for Honda

Wheel Front Assembly for Honda

Cutter Housing for Honda HRG536-SD

Cutter Blade & Pulley for Honda

Grass Bag & Frame for Honda HRG536-SD

Label Decal Assembly for Honda

Oil Pan Sump Assembly

Crankshaft & Piston Assembly

Camshaft Pulley & Belt Assembly

Recoil Starter for Honda HRG536-SD

Fan Cover & Fuel Tank Assembly

Carburetor Assembly for Honda HRG536

Air Cleaner for Honda HRG536-SD

Muffler Assembly for Honda HRG536-SD
All products
-
Honda 4-Stroke Engine Oil 10W30, 600ml - 08221-888-061HE£12.90 £10.75