
Honda HRG536C1 PDEA (Izy) Mower Parts
Spares for Honda HRG536C1 PDEA (Izy) Pushed Lawnmowers - MZCG 6300001-6399999
Spares for Honda HRG536C1 PDEA (Izy) Pushed Lawnmowers - MZCG 6300001-6399999
Shop by diagram

Honda HRG536C1 Mower Label

Grass Bag for Honda HRG536C1

Driven Pulley for Honda HRG536C1

Cutter Housing for Honda HRG536C1

Front Wheel for Honda HRG536C1

Rear Wheel for Honda HRG536C1

Transmission for Honda HRG536C1

Handle Pipe for Honda HRG536C1

Honda HRG536C1 Label

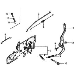
Control for Honda HRG536C1

Flywheel for Honda HRG536C1

Muffler for Honda HRG536C1

Air Cleaner for Honda HRG536C1

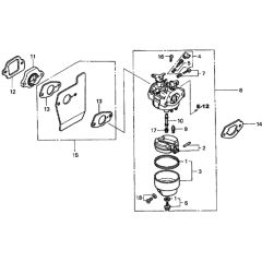
Carburettor for Honda HRG536C1

Fan Cover for Honda HRG536C1

Recoil Starter for Honda HRG536C1

Camshaft for Honda HRG536C1

Crankshaft/Piston for Honda HRG536C1

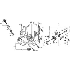
Oil Pan for Honda HRG536C1

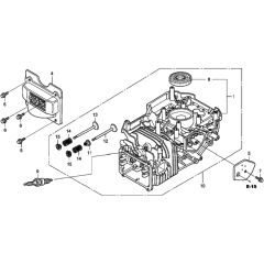
Cylinder Barrel for Honda HRG536C1
All products
-
6mm Plain Washer Fits Honda GHX50 - 94101-06800£1.08 £0.90