
Honda HRG536C1 SDF/A (Izy) Mower Parts
Spares for Honda HRG536C1 SDF/A (Izy) Pushed Lawnmowers - MZCG 6600001-6699999
Spares for Honda HRG536C1 SDF/A (Izy) Pushed Lawnmowers - MZCG 6600001-6699999
Shop by diagram

Honda HRG536C1 Label

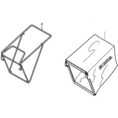
Grass Bag for Honda HRG536C1

Driven Pulley for Honda HRG536C1

Cutter Housing for Honda HRG536C1

Front Wheel for Honda HRG536C1

Rear Wheel for Honda HRG536C1

Transmission for Honda HRG536C1

Handle Pipe for Honda HRG536C1

Honda HRG536C1 Label

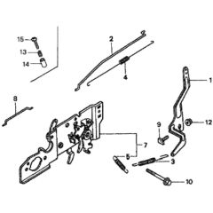
Control for Honda HRG536C1

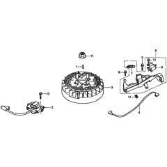
Flywheel for Honda HRG536C1

Muffler for Honda HRG536C1

Air Cleaner for Honda HRG536C1

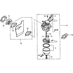
Carburettor for Honda HRG536C1

Fan Cover for Honda HRG536C1

Recoil Starter for Honda HRG536C1

Camshaft for Honda HRG536C1

Crankshaft/Piston for Honda HRG536C1

Oil Pan for Honda HRG536C1

Cylinder Barrel for Honda HRG536C1
All products
-
6mm Plain Washer Fits Honda GHX50 - 94101-06800£1.08 £0.90