Honda HRX537C HME Mower Parts
Spares for Honda HRX537C HME Lawnmowers - MAGA 1000001-1299999
Spares for Honda HRX537C HME Lawnmowers - MAGA 1000001-1299999
Shop by diagram
Grass Bag for Honda HRX537C
Rotary Blade for Honda HRX537C
Shutter for Honda HRX537C
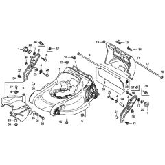
Cutter Housing for Honda HRX537C
Battery/Main Harness for Honda
Front Wheel for Honda HRX537C
Rear Wheel for Honda HRX537C
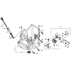
Transmission for Honda HRX537C
Throttle Lever for Honda HRX537C
Handle Pipe for Honda HRX537C
Control for Honda HRX537C
Starter Motor for Honda HRX537C
Flywheel for Honda HRX537C
Muffler for Honda HRX537C
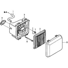
Air Cleaner for Honda HRX537C
Carburettor for Honda HRX537C
Fan Cover for Honda HRX537C
Recoil Starter for Honda HRX537C
Camshaft Pulley for Honda HRX537C
Piston for Honda HRX537C
Crankshaft for Honda HRX537C
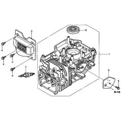
Oil Pan for Honda HRX537C
Cylinder Barrel for Honda HRX537C
All products
-
Recoil Flange Bolt M6x8mm for Honda GX Engines£1.49 £1.24