Honda HRX537C2 VKEA Mower Parts
Spares for Honda HRX537C2 VKEA Lawnmowers - MAGA 1700001-
Spares for Honda HRX537C2 VKEA Lawnmowers - MAGA 1700001-
Shop by diagram

Honda HRX537C2 Mower Label

Grass Bag for Honda HRX537C2

Rotary Blade for Honda HRX537C2

Shutter for Honda HRX537C2

Cutter Housing for Honda HRX537C2

Front Wheel for Honda HRX537C2

Rear Wheel for Honda HRX537C2

Transmission for Honda HRX537C2

Handle Pipe for Honda HRX537C2

Honda HRX537C2 Label

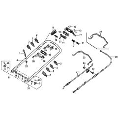
Control for Honda HRX537C2

Flywheel for Honda HRX537C2

Muffler for Honda HRX537C2

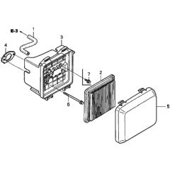
Air Cleaner for Honda HRX537C2

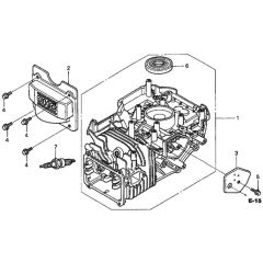
Carburettor for Honda HRX537C2

Fan Cover for Honda HRX537C2

Recoil Starter for Honda HRX537C2

Camshaft Pulley for Honda

Piston for Honda HRX537C2

Crankshaft for Honda HRX537C2

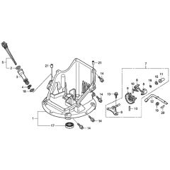
Oil Pan for Honda HRX537C2

Cylinder Barrel for Honda HRX537C2
All products
-
Recoil Flange Bolt M6x8mm for Honda GX Engines£1.49 £1.24
-
6mm Plain Washer Fits Honda GHX50 - 94101-06800£1.08 £0.90