Honda HRX537C1 HMEA Mower Parts
Spares for Honda HRX537C1 HMEA Lawnmowers - MAGA 1300001-1399999
Spares for Honda HRX537C1 HMEA Lawnmowers - MAGA 1300001-1399999
Shop by diagram

Honda HRX537C1 Label

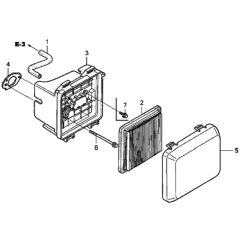
Grass Bag for Honda HRX537C1

Rotary Blade for Honda HRX537C1

Shutter for Honda HRX537C1

Cutter Housing for Honda HRX537C1

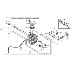
Battery/Main Harness for Honda

Front Wheel for Honda HRX537C1

Rear Wheel for Honda HRX537C1

Transmission for Honda HRX537C1

Throttle Lever for Honda HRX537C1

Handle Pipe for Honda HRX537C1

Control for Honda HRX537C1

Starter Motor for Honda HRX537C1

Flywheel for Honda HRX537C1

Muffler for Honda HRX537C1

Air Cleaner for Honda HRX537C1

Carburettor for Honda HRX537C1

Recoil Starter for Honda HRX537C1

Camshaft Pulley for Honda

Piston for Honda HRX537C1

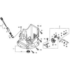
Crankshaft for Honda HRX537C1

Oil Pan for Honda HRX537C1

Cylinder Barrel for Honda HRX537C1
All products
-
Recoil Flange Bolt M6x8mm for Honda GX Engines£1.49 £1.24
-
6mm Plain Washer Fits Honda GHX50 - 94101-06800£1.08 £0.90