
Husqvarna 281XP Chainsaw Parts
Spares for Husqvarna 281XP Chainsaws
Spares for Husqvarna 281XP Chainsaws
Shop by diagram

Chain Brake & Clutch Cover

Clutch & Oil Pump Assembly

Cylinder Cover for Husqvarna 281xp

Muffler Assembly for 281xp

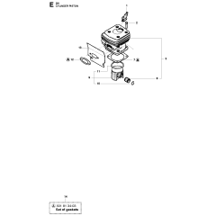
Cylinder Piston Assembly

Crankshaft Assembly for 281xp

Carburetor & Air Filter Assembly

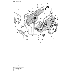
Crankcase Assembly for 281xp

Ignition System for Husqvarna 281xp

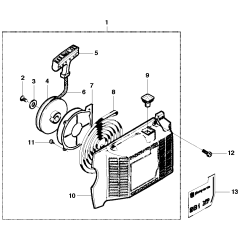
Starter Assembly for Husqvarna 281xp

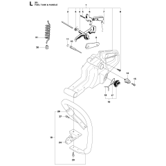
Fuel Tank & Handle Assembly

Carburetor Assembly for 281xp

Husqvarna 281xp Accessories
All products
-
Sprocket Cover Nut M8 for Husqvarna Chainsaws£0.72 £0.60
-
Screen - Genuine Husqvarna Part - 501 66 61-01£4.64 £3.87