
Husqvarna 288XP Chainsaw Parts
Spares for Husqvarna 288XP Chainsaws
Spares for Husqvarna 288XP Chainsaws
Shop by diagram

Chain Brake & Clutch Cover

Clutch & Oil Pump for Husqvarna 288xp

Cylinder Cover for Husqvarna 288xp

Muffler Assembly for 288xp

Cylinder Piston Assembly

Crankshaft Assembly for 288xp

Carburetor & Air Filter for 288xp

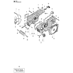
Crankcase Assembly for 288xp

Ignition System for Husqvarna 288xp

Starter Assembly for Husqvarna 288xp

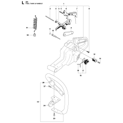
Fuel Tank & Handle Assembly

Carburetor Assembly for 288xp

Husqvarna 288xp Accessories
All products
-
Sprocket Cover Nut M8 for Husqvarna Chainsaws£0.72 £0.60
-
20" (50cm) 72 Links - RM - 3/8" / 063" (1.6mm) Chain£32.98 £27.48
-
Screen - Genuine Husqvarna Part - 501 66 61-01£4.64 £3.87