
Husqvarna 3122K Disc Cutter Parts
Spares for Husqvarna 3122K Disc Cutters
Spares for Husqvarna 3122K Disc Cutters
Shop by diagram

Husqvarna 3122k Accessories

Air Filter for Husqvarna 3122k

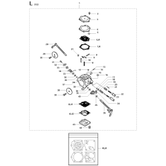
Carburetor Assembly for 3122k

Carburetor Assembly for 3122k

Clutch Assembly for Husqvarna

Crankcase Assembly for 3122k

Crankshaft Assembly for 3122k

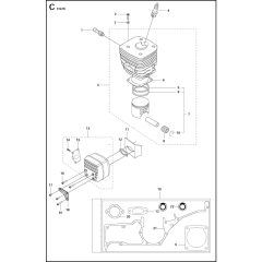
Cylinder, Piston & Muffler Assembly

Fuel Tank Assembly

Handle Assembly for Husqvarna

Ignition System for Husqvarna 3122k

Starter Assembly for Husqvarna
All products
-
Fuel Filter for Husqvarna K760 - 506 26 41 01£4.94 £4.12
-
Recoil Spring for Husqvarna/Partner K1250 - 503 13 50 01£19.66 £16.38
-
Screen - Genuine Husqvarna Part - 501 66 61-01£4.64 £3.87
-
Clutch Bearing for Partner/Husqvarna K950 - 503 25 38 01£20.84 £17.37
-
Lead - Genuine Husqvarna No. 501 83 98 03£6.28 £5.23