
Husqvarna K750 Disc Cutter Parts
Genuine and aftermarket spare parts & accessories for Husqvarna's latest K750 disc cutter.
Genuine and aftermarket spare parts & accessories for Husqvarna's latest K750 disc cutter.
Shop by diagram

WT2go Water Bottle Assembly

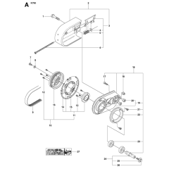
Belt Guard & Pulley Assembly

Carburetor & Air Filter Assembly

Carburetor Assembly for K750

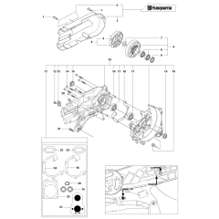
Crankcase Assembly for K750

Crankshaft Assembly for K750

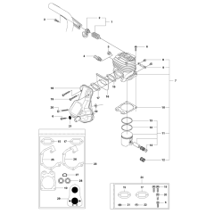
Cylinder Cover Assembly

Cylinder, Piston & Muffler

Fuel Tank Assembly for K750

Fuel Tank-2 Assembly

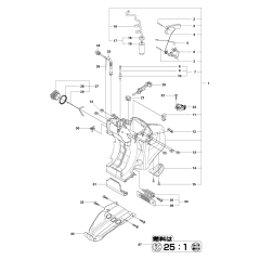
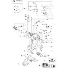
Handle Assembly for K750

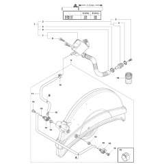
Hose Assembly for K750

Ignition System for K750

Switch Off Assembly Kit

Rescue Assembly for K750

Starter Assembly for K750

Wheels & Tyres for K750
All products
-
Fuel Filter for Husqvarna K760 - 506 26 41 01£4.94 £4.12
-
Starter Cord for Husqvarna K760 - 506 33 56 15£9.62 £8.02
-
Husqvarna LT (Stop) Lead - OEM No. 586 49 72 01£1.74 £1.45
-
Bushing Diam 25,4 mm for Husqvarna K760 - 506 37 96 25£13.68 £11.40