
Husqvarna K650 Cut-n-Break Disc Cutter Parts
Spares for Husqvarna K650 Cut-n-Break Disc Cutters
Spares for Husqvarna K650 Cut-n-Break Disc Cutters
Shop by diagram

Air Filter for Husqvarna K650

Carburetor Assembly for K650

Carburetor Assembly for K650

Clutch Assembly for K650

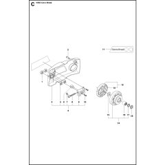
Crankshaft Assembly for K650

Cutter Arm Assembly for K650

Cutting Blade Assembly for K650

Cylinder & Muffler for K650

Handle Assembly for K650

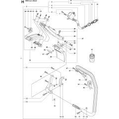
Handle & Controls for K650

Ignition System for K650

Short Block Assembly for K650

Starter Assembly for K650

Tools Assembly for Husqvarna K650
All products
-
Starter Cord for Husqvarna K760 - 506 33 56 15£9.62 £8.02
-
Piston Circlip for Husqvarna K760 - 737 43 12 00£2.24 £1.87
-
Starter Handle for Husqvarna K760 - 503 12 79 01£3.86 £3.22
-
Coupler for Husqvarna K760 - 503 26 60 04£6.52 £5.43
-
Hose Clamp - Genuine Husqvarna No. 576 12 97 01£3.46 £2.88