
Husqvarna P520 D Rider Parts
Spares for Husqvarna P520 D Riders
Spares for Husqvarna P520 D Riders
Shop by diagram

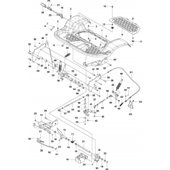
Hydraulics Assembly for P520D

Hydraulics Assembly for P520D

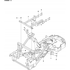
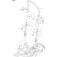
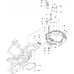
Chassis/Frame Assembly

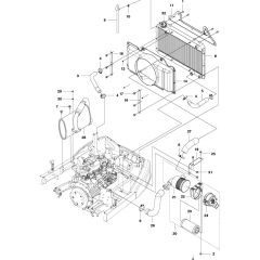
Fuel System for Husqvarna P520D

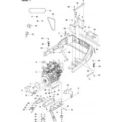
Engine Assembly for P520D

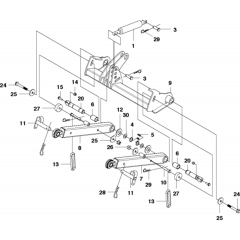
Mower Lift Assembly

Wheels and Tyres for P520D

Seat Assembly for P520D

Chassis/Frame Assembly

Controls Assembly for P520D

Clutch Assembly for P520D

Engine Assembly for P520D

Chassis/Frame for P520D

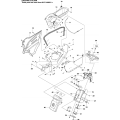
Steering Column for P520D Riders

Cover Assembly for P520D

Decals for Husqvarna P520D

Hydraulics Assembly for P520D

Electrical Assembly for P520D

Steering Column Assembly
All products
-
Decal - Genuine Husqvarna Part - 577 46 90-01£11.42 £9.52
-
Belt - Genuine Husqvarna Part - 589 53 95-01£74.48 £62.07
-
Screw - Genuine Husqvarna Part - 535 42 58-01£1.98 £1.65
-
Clip - Genuine Husqvarna Part - 576 47 36-01£2.24 £1.87