
Husqvarna P 524EFI Rider Parts
Spares for Husqvarna P 524EFI Riders
Spares for Husqvarna P 524EFI Riders
Shop by diagram

Engine Assembly for Husqvarna

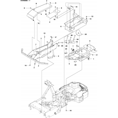
Chassis/Frame for Husqvarna P 524EFI

Controls Assembly for Husqvarna

Hydraulic Pump Motor Assembly

Decals for Husqvarna P 524EFI

Hydraulic Pump Motor Assembly

Fuel System Assembly

Wheels and Tyres Assembly

Chassis/Frame Assembly

Chassis/Frame for Husqvarna P 524EFI

Steering Column Assembly

Seat Assembly for Husqvarna

Mower Lift Assembly

Cover Assembly for Husqvarna

Clutch Assembly for Husqvarna

Electrical Assembly for Husqvarna

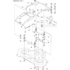
48" Cutting Deck for Husqvarna

48" Cutting Deck Assembly

48" Cutting Deck for Husqvarna

48" Cutting Deck for Husqvarna
All products
-
Decal - Genuine Husqvarna Part - 577 46 90-01£11.42 £9.52