
Husqvarna PR15 Rider Parts
Spares for Husqvarna PR15 Riders
Spares for Husqvarna PR15 Riders
Shop by diagram

Seat Assembly for PR15 Riders

Cover Assembly for PR15 Riders

Cover Assembly for PR15 Riders

Controls Assembly for PR15 Riders

Pedals Assembly for PR15

Air Filter for Husqvarna PR15

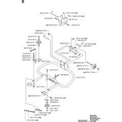
Steering Assembly for PR15

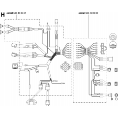
Wiring Harness for PR15 Riders

Electrical Assembly for PR15

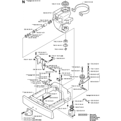
Chassis/Frame Assembly

Engine Assembly for PR15

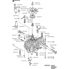
Transmission Assembly for PR15

Steering Column for PR15 Riders

Decals for Husqvarna PR15

Husqvarna PR15 Accessories

Wheels and Tyres for PR15 Riders

Protection Frame for PR15 Riders

103cm Cutting Deck for PR15

103cm Cutting Deck for PR15

44" Cutting Deck Assembly

44" Cutting Deck for PR15 Riders

94cm Cutting Deck Assembly

94cm Cutting Deck Assembly

103cm Cutting Deck for PR15

103cm Cutting Deck Assembly

44" Cutting Deck for Husqvarna PR15

44"/112cm Cutting Deck Assembly
All products
-
Tensioner for Husqvarna PR15, PR17 Riders - 506 99 30-01£59.94 £49.95