
Loncin LC2V90FD (999cc, 35.5hp) Engine Parts
Wide Range of Genuine Spare Parts for Loncin LC2V90FD (999cc, 35.5hp) V-Twin Series Engines. Complete Parts Diagram Provided.
Wide Range of Genuine Spare Parts for Loncin LC2V90FD (999cc, 35.5hp) V-Twin Series Engines. Complete Parts Diagram Provided.
Shop by diagram

Air Cleaner Assembly

Air Cleaner Assembly

Carburettor Assembly for Loncin

Carburettor-1 Assembly

Control Assembly for Loncin LC2V90FD

Control-1 Assembly for Loncin

Control-2 Assembly for Loncin

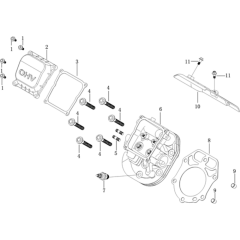
Crankcase Assembly for Loncin

Crankcase-1 Assembly for Loncin

Crankcase-2 Assembly

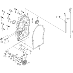
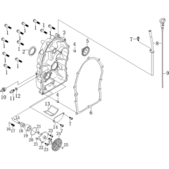
Crankcase Cover Assembly

Crankcase Cover for Loncin LC2V90FD

Crankshaft Piston Assembly

Cylinder Head Assembly for Loncin

Cylinder Head Assembly

Flywheel Assembly for Loncin LC2V90FD

Flywheel-1 Assembly for Loncin

Muffler Assembly for Loncin Engine

Rocker, Camshaft Assembly
All products
-
Nut for Loncin LC152 Engine - 380370048-0001£1.40 £1.17