
Loncin LC2V80FD (764cc, 24hp) Engine Parts
Wide range of genuine and non-genuine Loncin LC2V80FD engine parts available.
Wide range of genuine and non-genuine Loncin LC2V80FD engine parts available.
Shop by diagram
Air Filter Assembly for Loncin LC2V80FD Engine
Control (Fixed) Assembly for Loncin LC2V80FD Engine
Control (Cable) Assembly for Loncin LC2V80FD Engine
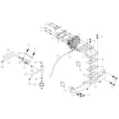
Carburettor Assembly for Loncin LC2V80FD Engine
Flywheel Housing (Manual) Assembly for Loncin LC2V80FD Engine
Flywheel Housing Assembly for Loncin LC2V80FD Engine
Rocker, Valve Assembly for Loncin LC2V80FD Engine
Crankshaft, Piston Assembly for Loncin LC2V80FD Engine
Crankcase Cover Assembly for Loncin LC2V80FD Engine
Crankcase Assembly for Loncin LC2V80FD Engine
Cylinder Head (R/H) Assembly for Loncin LC2V80FD Engine