
Loncin LC2P80F (764cc, 19.3hp) Engine Parts
Wide Range of Genuine Spare Parts for Loncin LC2P80F (764cc, 19.3hp) V-Twin Series Engines. Complete Parts Diagram Provided.
Wide Range of Genuine Spare Parts for Loncin LC2P80F (764cc, 19.3hp) V-Twin Series Engines. Complete Parts Diagram Provided.
Shop by diagram

Air Cleaner Assembly for Loncin

Blower Housing Assembly

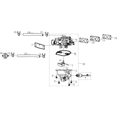
Carburettor Assembly for Loncin

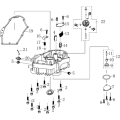
Crankcase Assembly for Loncin

Crankcase Cover for Loncin LC2P80F

Crankshaft/Piston Assembly

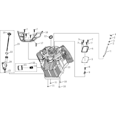
Cylinder Head Assembly

Flywheel, Coil Assembly

Governor Assembly for Loncin LC2P80F

Muffler Assembly for Loncin LC2P80F

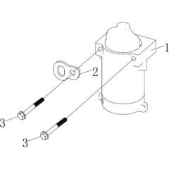
Starting Motor Assembly
