
Paslode IM250 Nail Gun Parts
Genuine Spare Parts for Paslode IM250 Nail Guns, Including Spray Cleaner, Maintenance Kits, Springs, and Switches. Support Available Online and Over the Phone.
Genuine Spare Parts for Paslode IM250 Nail Guns, Including Spray Cleaner, Maintenance Kits, Springs, and Switches. Support Available Online and Over the Phone.
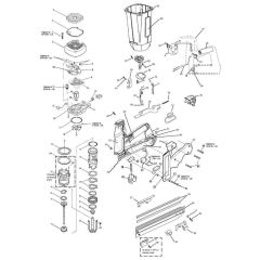
Shop by diagram
All products
-
New Type Cleaning Kit For Paslode Nail Guns (013690)£43.99 £36.66 -
Air Dam for Paslode IM65 Li, IM65A Li, IM250A, IM65A Nail Gun - OEM No. 900700Was £16.86 £14.05 Special Price £13.49 £11.24 -
Spring fits Paslode IM250 Nail Guns - 900166£4.80 £4.00 -
Screen Filter for Paslode IM200 IM250 Nail Guns£29.08 £24.23 -
Spark Unit Assy for Paslode IM200, IM250 Nail Guns - 900280£297.48 £247.90 -
Cage fits Paslode IM250 Nail Guns - 403106£51.55 £42.96 -
Bumper for Paslode IM200, IM250 Nail Guns - 403094£49.46 £41.22 -
Muffler fits Paslode IM250, IM200 Nail Guns - 403091£21.12 £17.60 -
Spring fits Paslode IM250, IM200 Nail Guns - 401395£21.19 £17.66 -
Actuator Assy fits Paslode IM250 Nail Guns - 900415£20.47 £17.06