
DeWalt DW1150----F Type 1 Planer Thicknesser Parts
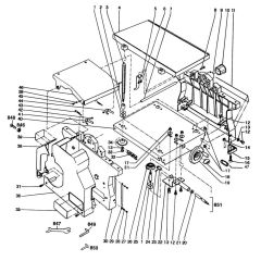
Spare Parts and Part Diagrams for DeWalt DW1150----F Type 1 Planer Thicknessers
Spare Parts and Part Diagrams for DeWalt DW1150----F Type 1 Planer Thicknessers