
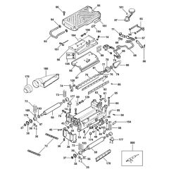
DeWalt DW734 Type 1 Planer Thicknesser Parts
Spare Parts and Part Diagrams for DeWalt DW734 Type 1 Planer Thicknesser
Spare Parts and Part Diagrams for DeWalt DW734 Type 1 Planer Thicknesser
Shop by diagram
All products
-
Terminal for DeWalt DW788 Type 1 Saw - 450213-00£2.77 £2.31