
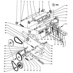
DeWalt DW1150----K Type 1 Planer Thicknesser Parts
Spare Parts and Part Diagrams for DeWalt DW1150----K Type 1 Planer Thicknessers
Spare Parts and Part Diagrams for DeWalt DW1150----K Type 1 Planer Thicknessers
Shop by diagram
All products
-
Roller, Genuine DeWalt Part - OEM No. 123281-02£67.31 £56.09 -
Hex Nut for DeWalt DW721KN, DW432K Angle Grinders - 860083-03Was £2.77 £2.31 Special Price £2.24 £1.87