
Hikoki C6BUY Circular Saw Parts
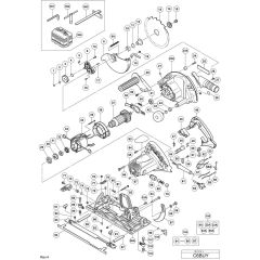
Spare Parts and Part Diagrams for the Hikoki C6BUY Circular Saw.
Spare Parts and Part Diagrams for the Hikoki C6BUY Circular Saw.
Shop by diagram
All products
-
Dust Seal - Genuine Hikoki Hitachi Part£1.64 £1.37