
Hikoki C6UY Circular Saw Parts
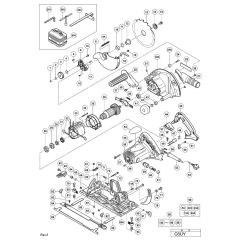
Spare Parts and Part Diagrams for the Hikoki C6UY Circular Saw.
Spare Parts and Part Diagrams for the Hikoki C6UY Circular Saw.
Shop by diagram
All products
-
Dust Seal - Genuine Hikoki Hitachi Part£1.64 £1.37