
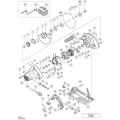
Hikoki C7SS Circular Saw Parts
Spare Parts and Part Diagrams for the Hikoki C7SS Circular Saw.
Spare Parts and Part Diagrams for the Hikoki C7SS Circular Saw.
Shop by diagram
All products
-
Switch - Genuine Hikoki Hitachi Part - OEM No. 331259£27.28 £22.73