
Stihl BR450, BR450C Blower Parts
Shop by diagram

Bike Handle for Stihl BR 450

Control Handle for Stihl BR 450

Pleated Hose for Stihl BR 450

Fan Housing for Stihl BR 450

Fuel Tank & AV System for Stihl

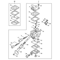
Carburetor C1Q-S209

Carburetor for Stihl BR 450

Spacer Flange & Air Filter

Rewind Starter for Stihl BR 450

Ignition System for Stihl BR 450

Engine for Stihl BR 450, BR 450 C
All products
-
Gasket for Stihl FS96, FR130T - 4114 149 1205£1.46 £1.22
-
Washer for Stihl MS181, MS181C - 0000 958 0806£1.32 £1.10
-
Carb Repair Kit for Stihl HS45, FS55 - 4228 007 1051£29.60 £24.67
-
Gasket for Stihl FR350, FR450 - 1123 129 0905£2.40 £2.00
-
Rope for Stihl SH55, SH85 - 0000 350 0900£1.46 £1.22