
Wacker BH24 - 5000008937 (Petrol) Rev.105 Breakers
Spare Parts for Wacker BH24 - 5000008937 (Petrol) Rev.105 Breakers
Spare Parts for Wacker BH24 - 5000008937 (Petrol) Rev.105 Breakers
Shop by diagram

Hood Assembly for Wacker BH24

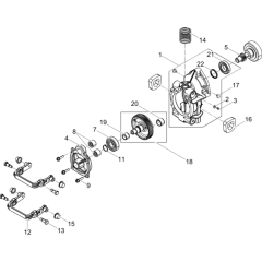
Crankcase Assembly for Wacker BH24

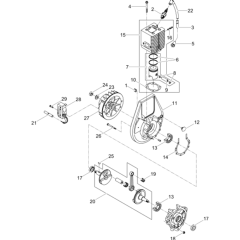
Striking Mechanism for Wacker BH24

Tool Holder Assembly

Engine Assembly for Wacker BH24

Gas Engine Assembly for Wacker

Engine Assembly for Wacker BH24

Diaphragm Carburettor for Wacker BH24

Starter Assembly for Wacker BH24

Labels Assembly for Wacker BH24

Cart Transportation Assembly

Cart Transportation Assembly
All products
-
Fuel Hose for Wacker BH23 BH24 Breakers£8.00 £6.67
-
Label BH23 - Genuine Wacker Part No. 0219174£7.64 £6.37
-
Choke Lever (Walbro) for Wacker BH23 BH24 Breakers£10.22 £8.52
-
Carburettor for Wacker BH23 - OEM No. 0222029£221.76 £184.80