
Wacker BH24 - 5000610385 (Petrol) Rev.102 Breakers
Spare Parts for Wacker BH24 - 5000610385 (Petrol) Rev.102 Breakers.
Spare Parts for Wacker BH24 - 5000610385 (Petrol) Rev.102 Breakers.
Shop by diagram

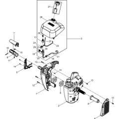
Cover Assembly for Wacker BH24

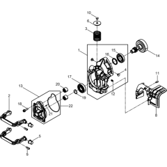
Crankcase Assembly for Wacker BH24

Striking Mechanism for Wacker BH24

Tool Holder for Wacker BH24

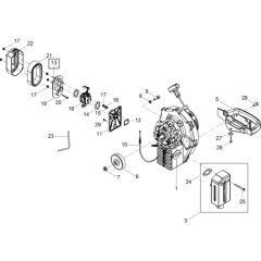
Engine Assembly for Wacker BH24

Gas Engine Assembly for BH24

Diaphragm Carburetor for BH24

Starter Assembly for Wacker BH24

Labels for Wacker BH24

Flange Assembly for Wacker BH24
All products
-
Shift Lever for Wacker BH23, BH24 Breaker - 5000222523£26.82 £22.35
-
Label BH23 - Genuine Wacker Part No. 0219174£7.64 £6.37