
Wacker BH65 - 5000610387 (Petrol) Rev.102 Breakers
Spare Parts for Wacker BH65 - 5000610387 (Petrol) Rev.102 Breakers.
Spare Parts for Wacker BH65 - 5000610387 (Petrol) Rev.102 Breakers.
Shop by diagram

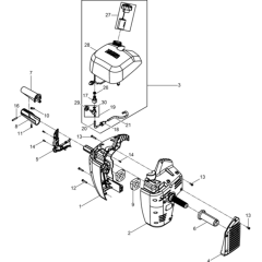
Cover Assembly for Wacker BH65

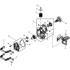
Crankcase Assembly for BH65

Striking Mechanism for Wacker BH65

Tool Holder for Wacker BH65

Engine Assembly for Wacker BH65

Gas Engine Assembly for BH65

Diaphragm Carburetor for Wacker BH65

Starter Assembly for Wacker BH65

Labels for Wacker BH65 Breakers

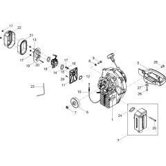
Flange Assembly for Wacker BH65
All products
-
Shift Lever for Wacker BH23, BH24 Breaker - 5000222523£26.82 £22.35
-
Label BH23 - Genuine Wacker Part No. 0219174£7.64 £6.37
-
Genuine Cover for Wacker BH24£21.56 £17.97