
Wacker BH65 - 5100004032 (Petrol 27x80) Rev.103 Breakers
Spare Parts for Wacker BH65 - 5100004032 (Petrol 27x80) Rev.103 Breakers.
Spare Parts for Wacker BH65 - 5100004032 (Petrol 27x80) Rev.103 Breakers.
Shop by diagram

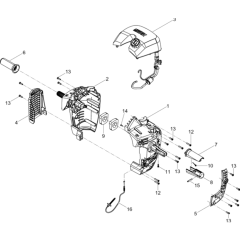
Hood Assembly for Wacker BH65

Tank Assembly for Wacker BH65

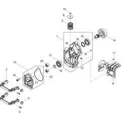
Crankcase Assembly for BH65

Striking Mechanism for Wacker BH65

Tool Holder for Wacker BH65

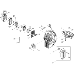
Engine Assembly for Wacker BH65

Gas Engine Assembly for BH65

Diaphragm Carburetor for Wacker BH65

Starter Assembly for Wacker BH65

Labels for Wacker BH65 Breakers

Wacker BH65 Maintenance Set

WM 80 Piston Ring Repair Kit

Repair Kit WM 80 for Wacker BH65

WM 80 Piston Assembly Kit

Cart Assembly for Wacker BH65

Cart Assembly for Wacker BH65
All products
-
Shift Lever for Wacker BH23, BH24 Breaker - 5000222523£26.82 £22.35