
Honda GX25T (GCALT) Engine Parts
Spare Parts for Honda GX25T (GCALT) Engines.

Spare Parts for Honda GX25T (GCALT) Engines.

Shop by diagram

Cam Pulley Assembly for GX25T

Recoil Starter for Honda GX25T

Fan Cover/Clutch Assembly

Carburettor Assembly Honda GX25T

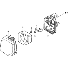
Air Cleaner for Honda GX25T

Muffler Assembly for Honda GX25T

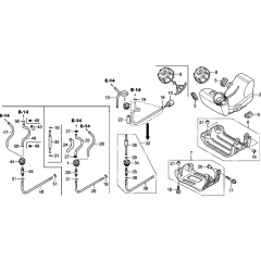
Fuel Tank Assembly for GX25T

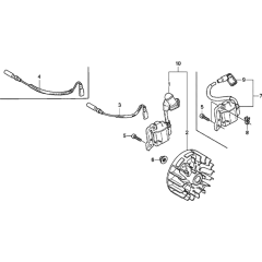
Flywheel Assembly for GX25T

Crankcase Set for Honda GX25T

Top Cover Assembly for GX25T

Label Assembly for Honda GX25T

Tool Assembly for Honda GX25T

Crankshaft/Piston Assembly
All products
-
Fuel Pipe for Honda GX25 Engines - 17703 Z0H J71£9.52 £7.93
-
Shroud for Honda GX25T Engines - OEM No. 19631-Z0H-010£13.63 £11.36
-
Dipstick for Honda GX25T Engines - 15600-Z0T-800£10.52 £8.77